

GeoData Manager is a comprehensive data management system that facilitates the storage, presentation and analysis of most data from a geothermal exploration and development program. Over 700 different resource parameters can be captured and stored in a geo-referenced and time-referenced relational database that is the result of years of data structure analysis. GeoData Manager provides orderly but flexible data input, editing, and reporting of this data. Graphing and contouring tools are tightly integrated into the system to provide fast and simple graphical outputs. A range of modeling and analysis tools are also included, so most data manipulation and interpretation can be completed using the one system. User flexibility is ensured through the ability to customize graphs, contour maps, reports and data entry tables. Like all other geothermal software from Gradient GeoData, GeoData Manager is fully unit-aware, which means that data can be entered, processed and presented in any measurement units. Data is easily exported to other analysis tools for special processing. Operating on a Windows PC network, GeoData Manager is the ideal data management tool for any team of professionals responsible for the exploration or development of geothermal resources. The integrative abilities of GeoData Manager encourage a coordinated approach to resource evaluation and monitoring. The GeoData Manager Philosophy Inclusion of the majority of data types in geothermal development Universal database structures Powerful data selection Data standardization and data integrity User customization at all levels, including: Measurement units Language Report formats Graph formats Contour plot formats Data entry formats Consistent style in all disciplines Support

WellSim is an integrated geothermal wellbore simulator and analysis package designed to allow ‘what-if’ scenarios to be performed on a geothermal well, such as, ‘what might be the increase in production from choosing a larger casing diameter for future wells drilled in a field?’. WellSim modules include: Discharge test simulation, modelling the steady-state discharge of a geothermal production well at one mass flowrate. Fluid composition and properties calculation for assessment of the consistency of measured fluid properties using up-to-date PVT model for the H2O-CO2-NaCl system. Deliverability curve prediction by simulation of a series of discharge tests over a range of mass flowrates. Statistical and graphical matching analysis of downhole pressure and temperatures, and deliverability curves. Downhole measurement analysis (lower bound analysis) for assessment of errors and trends in downhole measurements, identification of feed zones and fluid composition.

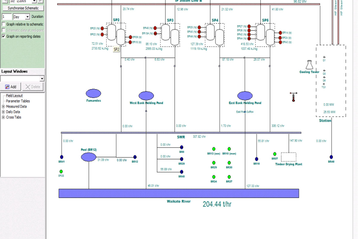
Steamfield Manager is specifically designed to handle both short-term and long-term data from an operating geothermal steamfield. Based on a modern client-server database, the unique dual time structure of the program provides a flexibility unmatched by standard process control software. Operational data collected from measurement points is used for day-by-day management, while long-term monitoring uses daily averages of physical quantities (such as pressure, flow, enthalpy) from objects within the steamfield. The two data sets are linked by the steamfield configuration which not only determines relationships and calculations between different data streams but also provides a detailed and accessible history of the entire steamfield. Steamfield Manager automatically carries out data integrity checks and and also provides optional filters on data entry, to ensure that the data used for daily average calculations is as reliable as possible. Calculations include steam table calculations, complex network procedures and flow partitioning when multiple wells feed a common separator. Both short-term and long-term data can be presented graphically and in report form, while the special ‘cross-tab’ function makes resource consent reporting a breeze. Like all other geothermal software from Gradient GeoData, Steamfield Manager is fully unit-aware, which means that data can be entered, processed and presented in any measurement units. Data is easily exported to other analysis tools for special processing. User flexibility is ensured through the ability to customize all aspects of steamfield configurations, daily average table structure, graphs and reports. Operating on a PC network, Steamfield Manager is the ideal data management tool for a geothermal steamfield. Field operations staff can see the data as it comes in from the field, and as calculated for the past few days, while steamfield and reservoir managers, interested in long-term data, see it from the point of view of objects and quantities they are familiar with, and do not need to learn about measurement points, SCADA systems, transducers, etc. Future plans include integration with GeoData Manager to create a single tool to manage all geothermal resource data.